PTZ100

紧凑型云台摄像机系统

PTZ100 是一款紧凑型高清彩色摄像机,配备集成的云台功能与强力照明,非常适合在反应堆水箱与乏燃料池检修期间进行全景检查。 凭借 10 倍光学变焦与 32 倍数字变焦,PTZ100 能够提供清晰、细致的成像,以支持安全高效的操作。

Prefer units:

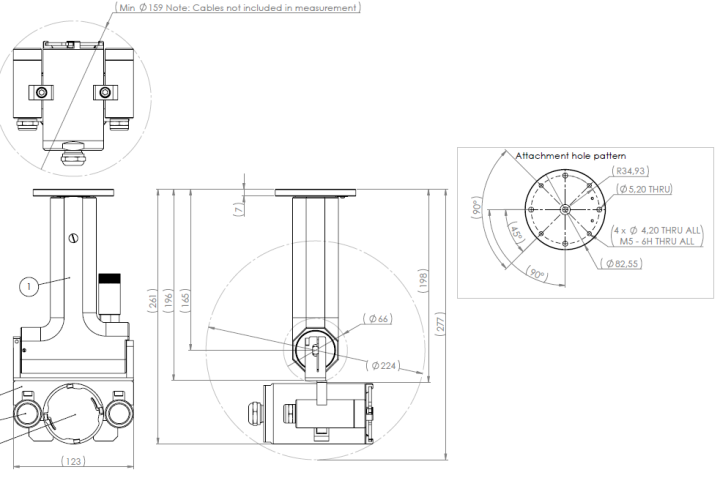
技术规格

  • 物理特性

    宽度
    高度
    重量
    外壳材料
    不锈钢 EN 1.4301 / EN 1.4436,AISI 304 / AISI 316
    前端防护玻璃材质
    聚碳酸酯
  • 光学特性

    标清版本分辨率
    700 TV-lines
    变焦
    x10 光学变焦,x32 数字变焦
    SD 水平视角
    约5°-54°
  • 机械特性

    水平旋转角度
    ±180°
    俯仰角度
    ±90°(相对于垂直平面)
  • 环境耐受性

    耐辐射(剂量率)
    50 Gy/h (5 000 rad/h)
    耐辐射(总剂量)
    最高工作温度
    50°C(短时可达 70°C)
    防水性能
  • 照明特性

    类型
    2 Ahl-Light 1
    光输出
    1800 流明

应用领域

更多关于 PTZ100

应用

  • 适用于低辐射环境下的反应堆容器部件及内部结构检查
  • 用于停堆检修作业期间的监视

优势

  • 紧凑型系统
  • 强大的变焦功能
  • 自动对焦与自动光圈
  • LED 强度可远程控制
  • 可由 Ahlberg CCU100 控制单元操作

下载