AHL-LIGHT 35
LED工作照明灯
AHL-LIGHT 35 是一款坚固耐用的水下 LED 工作照明灯。 它既可以通过电缆悬挂作为移动照明使用,也可以安装在支架上作为固定照明使用。
Prefer units:
技术规格
-
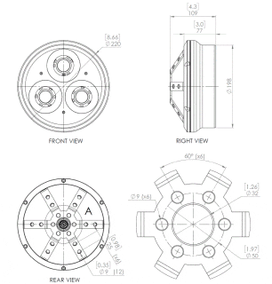
物理特性
- 宽度
- 220 mm 8.7"
- 高度
- 109 mm 4.3"
- 重量
- 4.5 kg 9.9 lbs
- 外壳材料
- 不锈钢 EN 1.4301, AISI 304/AISI 316
- 前端防护玻璃材质
- 聚碳酸酯
-
照明特性
- 类型
- 3 个LED灯,100-240 VAC, 50/60 HZ, 240 W
- 典型光通量
- 43 500lm @5000K, 41 500lm @ 3000K
- 显色指数
- 80
- 色温
- 3000K or 5000K
- 光束角
- 64°
- 寿命
- >50 000 h
-
环境耐受性
- 耐辐射(总剂量)
- 最高温度
- 60°(短时可达70°C) 140°F, 158°F for short periods
- 防水性能
- 3 bar(水下30m) 43.5 Psi
-
电缆特性
- 最大电缆长度
- 250 m
应用领域
更多关于 AHL-LIGHT 35
应用
- 水下核工作照明灯
- 适用于反应堆与燃料池中的作业
- 与独立电源单元配合使用
- 该灯具配备与 AHL-LIGHT 70 相同类型的电源单元,可安装在空气环境(栏杆或墙面)或水下
优势
- 使用寿命长,维护成本低
- 43 500流明光输出
- 在空气中意外使用时具备过热保护
- FME 认证设计——无松散部件进入池水
- 电源单元可置于空气环境或水下